page 1

ROTODYNAMIC PUMPS

–    page 3    –
–    page 6    –
–    page 7    –
 Problem 738: Change of operating point after pump replacement  Problem 663: Calculation of pipeline characteristic, problem in [Škorpík, 2024]  Problem 265: Calculation of pump operating point and pipeline characteristic
–    page 13    –
–    page 14    –
–    page 14    –
–    page 15    –
–    page 17    –
–  pages 18–25  –
–  Online shop  –
If you found this article helpful, you can purchase the full version in my online shop. Thank you for your support, and I wish you every success with your projects.

Jiří Škorpík
author
ROTODYNAMIC PUMPS
page 2
– author: –
ŠKORPÍK, Jiří (LinkedIn.com/in/jiri-skorpik)
–   issue date:   –
September 2022
– title: –
Rotodynamic pumps
– proceedings: –
– provenance: –
Brno (Czech Republic)
– email: –
skorpik.jiri@email.cz

Copyright©Jiří Škorpík, 2022
All rights reserved.

ROTODYNAMIC PUMPS
page 3

Basic types of rotordynamic pumps

The clasification of rotodynamic pumps according to the meridional flow direction determines their design and properties. According to this criterion, we divide rotodynamic pumps into radial, axial and diagonal. Specific speed is a common criterion for selecting a rotodynamic pump.

  ~  
Use of radial pumps
Radial pumps are generally suitable for small and medium flow rates with a wide range of pressures. For the highest pressures, multistage radial pumps are used, which can reach a pumped liquid pressure of up to 35 MPa.
Properties of radial pumps according to direction of blade curved
Rotors with backward curved blades (βB2>90° - outlet angle of the profile, see Figure 394) achieve the best hydraulic efficiency and also have the smallest slip. Rotors with purely radial blades (βB2=90°) achieve the largest pressure increase in one stage (for the same dimensions and rotational speed), because the relative velocity W2 is the smallest, respectively equal to the radial component of the relative velocity W2r (see h-s chart). Pump rotors with forward curved blades do not offer any hydrodynamic or other advantages and are not used.
– 394: –
Example of radial pump with backward curved blades, with bladeless stator and a rotor shroud disc
Example of radial pump with backward curved blades, with bladeless stator and a rotor shroud disc: βB2 [°] angle of camber line of profile at outlet; r [m] rotor radius. The index t indicates the tip of the blade.
Optimal reaction
A characteristic feature of the design of a radial pump stage is that the outlet absolute rotor velocity V2 is designed to be approximately the same value as the inlet relative velocity W1 - with such equality, the profile losses in the rotor and stator parts are approximately the same and the reaction is greater than 0,5.
ROTODYNAMIC PUMPS
page 4
Multi-stage pump concept
In the case of high pressures, instead of increasing the rotor diameter, a multi-stage variant of radial pumps is preferred, see Figure 396. In such a case, the required difference in stagnation pressures is divided evenly into individual stages. The advantage of such an approach is that the stages are the same, which significantly reduces the costs of design, production and service (pumps for a smaller pressure increase have only a smaller number of identical stages, which are structurally adapted so that they can be placed in any number in a row, so-called radially split multi-stage pumps). In the case of larger pressure changes in the pump, it is necessary to gradually (after several stages) always reduce the widths of the rotors, so as to compensate for the increase in liquid density.
– 396: –
Radially split three-stage pump
Radially split three-stage pump (KSB)
Production of radial pump rotors
Radial rotors are complex shaped parts, but they can usually be made from one piece by casting. Only in the case of rotors that are more resistant to cavitation, corrosion, etc. are rotors made from three parts. In Figure 1014 (p. 5), the rotor of a radial pump is made from three parts - a precision casting of the blades (1.4581-Cr-Ni-Mo-Nb, stainless steel for castings), the front and rear discs (1.4404-Cr-Ni-Mo). These parts are welded together. The surface of the impeller is cleaned electrochemically - compared to chip machining, the surface is free of cracks, which increases corrosion resistance. This type of rotor is intended for pumps used in the pharmaceutical and food industries up to a working fluid temperature of 120 °C.
ROTODYNAMIC PUMPS
page 5
– 1014: –
Pump rotor of the YMD series from Iwaki (Japan).
Pump rotor of the YMD series from Iwaki (Japan). The rotor diameter is 200 mm.
Rotors made of non-metallic materials
In the case of water pumping, plastic materials are commonly used to manufacture rotors. For acid pumping, ceramic rotors and other pump parts are used, as in the case of the pump in Figure 1016, or a metal material coated with a layer of PVC is used.
– 1016: –
Acid pump
Acid pump: Parts made of stoneware are indicated by dashed lines, cast iron by regular lines, and layers of sealant are indicated by cross lines [Nechleba and Hušek, 1966, pp. 191].
  ~  
Use of axial pumps
Axial pumps are generally used for larger mass flows and smaller changes in head. They are also used, for example, for pumping polluted liquids, for pumping large volumes of liquids in waterworks, cooling water in thermal power plants and also for bidirectional pumping between balancing tanks.
Reaction of axial pumps
Axial pump stages are usually carried out for the reaction of 0,5 at the mean radius to ensure that the loss distribution between the stator and rotor is uniform, or less if cavitation is a risk.
Turnable in axial pumps
The advantage of axial pumps is the possibility of installing a mechanism for turning the blades (stator and rotor, or inlet guide vanes). Their turning allows maintaining high hydraulic efficiency even when the mass flow changes (see Figure 641 (p. 6)).
ROTODYNAMIC PUMPS
page 6
– 641: –
Single-stage axial KSB cooling water pump in thermal power plant.
Single-stage axial KSB cooling water pump in thermal power plant.
  ~  
Diagonal pumps
In addition to the two types of pumps mentioned, diagonal pumps are also used, especially in the design of the Deriaz pump (reverse) turbine.
  ~  
Recommended range of similarity coefficients for individual pump types
Individual pump types are suitable for different specific speeds, see Table 797. More detailed information on the optimal range of specific speeds is given, for example, in [Melichar et al., 2002, p. 148], [Pfleiderer, 2005, p. 171]. Optimal values of flow and head coefficient are given, for example, in [Dixon and Hall, 2010, p. 42].
– 797: –
radial diagonal axial
Ns 55 157 313 470 470 862 783 1880
r2/r1t 2,5 2 1,5 1,3 1,2 1,1 0,5 0,8
Ns [min-1] specific speed according to Formula 8 in the article Using similarities of turbomachines in turbomachine design; r1t [m] rotor radius at blade tips at inlet; r2 [m] mean radius at rotor outlet, see Figure 394 (p. 3). Data source for the table [Nechleba, 1966, p. 95].

Pump energy balance

The basic energy balance of a pump is calculated using the Bernoulli equation, where the purpose of the pump is to increase the fluid head according to Figure 300 (p. 7). The energy balance is carried out for the pump itself between its suction and discharge branches or between the suction and discharge of the entire system in which the pump is connected.

ROTODYNAMIC PUMPS
page 7
– 300: –
Example of chart of pump system
Example of chart of pump system: p [Pa] working fluid pressure; wi [J·kg-1] internal work; z [m] water level. SP-suction pipe; DP-discharge pipe.
Definition of system and hydraulic pump efficiency
Usually, two different energy balances of a pipeline are carried out. The first is the energy balance of the pipeline as a whole between states 0 and 3, which is used to determine the so-called system efficiency ηS (Equation 302a), or to evaluate the economy of the work [Ingram, 2009, p. 121]. The second energy balance is carried out only between the suction and discharge of the pump (states 1-2), which is used to determine the internal respectively hydraulic efficiency of the pump ηi (Equation 302b), or to compare the offered pumps. The maximum hydraulic efficiency of hydrodynamic pumps can be higher than 90%. The system efficiency of the circulation loops is zero, because the pump only covers the pressure losses of the system.
– 302: –
System efficiency of pipeline and hydraulic efficiency of pump
(a) system efficiency; (b) hydraulic efficiency. H [J·kg-1] head increase in pump (index P, between points 1-2) and in system (index S, between points 0-3); wid [J·kg-1] internal work of the pump without losses; L [J·kg-1] internal losses in a given section (see index); ηi [1] internal efficiency or hydraulic efficiency; ηS [1] system efficiency of the work.

Characteristics of pump in pipeline

Characteristics of a pump in a pipeline depend on its operating characteristics and the so-called pipeline characteristic in which it operates. From the properties of these two characteristics, the operating point of the pump can then be determined.

ROTODYNAMIC PUMPS
page 8
  ~  
Pump operating characteristics
The pump operating characteristics is the dependence of the increase in the head of the liquid in the pump HP on the volumetric flow Q. The shape of the HP-Q characteristic of the pump at constant rotational speed and without turnable blades is significantly concave, i.e. the increase in the total energy in the pump reaches a certain maximum, which corresponds to a individual volumetric flow, see Figure 927.
Pump operating characteristic prediction
The exact operating characteristics of rotodynamics pumps are determined from measurements, or by measurements on a model machine, or calculated based on a numerical model of the pump, if it is a piece-by-piece construction of a large pump. It can also be approximately calculated using the dimensionless operating characteristics of the given pump type, also see [Pfleiderer, 2005, p. 228]. The characteristics of multi-stage rotodynamics pumps are the sum of the increase in the head of the liquid in individual stages at a given volume flow.
Influence of working fluid viscosity on pump characteristics
Pump characteristics are always given for an individual liquid and temperature. Although temperature does not usually affect the density of the liquid, it significantly affects its viscosity. The change in viscosity affects the resulting internal losses of the pump, or rather, the increase in the head of the liquid HP in the pump changes with the change in viscosity - while a decrease in viscosity reduces the losses, see Figure 927. A nomogram for converting the characteristics of a water pump to a liquid with a different viscosity is given, for example, in [Melichar et al., 2002, p. 371] and in the documentation of pump suppliers.
– 927: –
Influence of working fluid viscosity on pump characteristics
N [min-1] pump rotational speed; Q [m3·s-1] pump volume flow; η [Pa·s] dynamic viscosity of working fluid. Characteristics for constant pump rotational speed.
Influence of density on pump characteristics
The characteristic must also be recalculated for different densities. A change in density also directly affects the change in head in the HP pump and causes a shift in the characteristic, just as it does with a change in the characteristic of a fan when the density changes, see the article Fans.
ROTODYNAMIC PUMPS
page 9
Power input characteristics of basic pump types
The catalogue information on the pump characteristics also includes the dependence of other quantities on the volumetric flow, especially the power input and efficiency. The pump power input curve also affects the way the pump is started, see Figure 370. It is clear from the characteristics that it is appropriate to start radial pumps with a closed discharge and axial pumps with an open one, in order to avoid overloading the pump drive (in actual conditions, some radial pump stages may have a power input curve similar to the power input curve of the diagonal stage).
– 370: –
Power input characteristics of basic pump types
(a) radial stages; (b) diagonal stages; (c) axial stages. Pi [W] internal pump power input. In this case, the characteristics of the diagonal and axial stages themselves are considered with turnable blades, so that at lower volumetric flow rates the HP does not decrease. Source: [Kadrnožka, 2003], [Nechleba, 1966, p. 95].
Equivalent quantities in pump characteristic
Instead of increasing the working fluid head in the pump HP, the catalogs also list equivalent quantities, namely the increase in stagnation pressure in the pump Δps, or the equivalent pump discharge head Δz, which can be converted to each other using the Bernoulli equation, or for a quick overview, the attached Nomogram 884 (p. 10) can be used.
ROTODYNAMIC PUMPS
page 10
– 884: –
Nomogram pro přepočet zvýšení celkové energie v čerpadle
Formulas and nomograms for converting the head increase in the pump to equivalent quantities: HP [J·kg-1]; Δps [Pa] increase in stagnation pressure in pump; Δz [m] equivalent pump discharge head (increase in column of working fluid at pump outlet if all energy supplied to the working fluid in pump were transformed into potential energy); g [m·s-2] gravitational acceleration; ρ [kg·m-3] liquid density.
  ~  
Operating point of pump
The operating point of a pump OP is a specific combination of volumetric flow and total energy increase of the liquid in the pump at which the pump is operating at a given moment. The operating point corresponds to the intersection of the pipeline characteristic S (pipe losses) (see [Škorpík, 2024]) with the pump characteristic P, see Figure 372.
– 372: –
Pump and pipeline characteristic
HB-hump point; OP-operating point of pump; SS-system surge; S-pipeline characteristic; stall-region of loss due to flow separation from blade.
ROTODYNAMIC PUMPS
page 11
–   Problem 738:   –
Determine the new operating point of the circulation pump after its replacement? The original operating point parameters marked with the symbol (a) were: Q(a)=2,7 m3·h-1, HP,(a)=16 J·kg-1. What was the pressure loss of the pipeline route in the case of the original pump (a), and what is the pressure loss after the installation of the new pump (b)? The characteristics of the new pump (b) are shown in the figure.
The solution of this problem is shown in Appendix 738..
–   Problem 738:   –
Characteristics of new pump
Characteristics of new pump
Δz [m]; Q [m3·h-1]
Stability criterion of operating point of pump
The pump operating point is not a fixed point of intersection, because in every system there are at least small pulsations (small changes in rotational speed, pipe fluid extractions, etc.), so the OP is an area of size d(HP)-dQ. The pump operation must respond to changes in the volume flow Q and losses in the pipe system LH, SP+DP with opposite changes so that the pump operating point remains stable. This pump property can be written by Equation 372b (p. 10), which is called the pump stability criterion. The unstable pump operating area, in which the conditions of the stability criterion are not met (denoted as SS), is therefore a function of the pump characteristic and the characteristics of the pipe system in which the pump operates.
Instability of operating point in system surge region
Figure 372a (p. 10) shows an example of a typical pipeline characteristic S, in which the stability criterion is not met to the left of the hump point of the pump characteristic. In this region, the pump operating point and the volume flow will fall into the stall region, while, on the other hand, as the volume flow in the system increases, the pump operating point may suddenly jump to the opposite side of the characteristic. These abrupt alternating changes in volume flow are manifested by pulsations in the pipe (vibrations) and noticeable changes in noise and pump wear, because cavitation also occurs at flow separation.
How to influence position of operating point
The operating point of pump can be influenced by pump control and, on the piping system side, by hydraulic balancing (Problem 738) or by compensation tanks (Problem 265 (p. 12)).
ROTODYNAMIC PUMPS
page 12
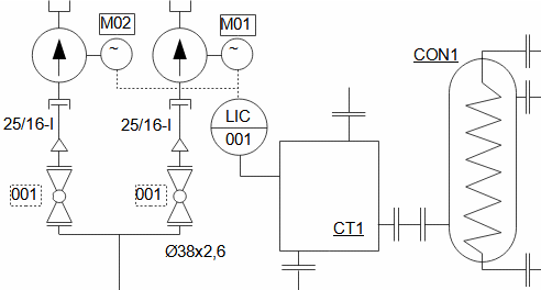
–   Problem 265:   –
The figure shows a part of the flow chart of the steam cycle of a small combined heat and power plant. This is the section between the condenser and the feed tank. Set the most suitable operating point of the condensate pump pumping water from the auxiliary condensate tank CT to the feed tank FT. The water parameters in the system are shown in the figures. The assumed dimensions of the device are: zDP=4 m; zCT=3,9 m; dCT=0,6 m. The pipeline system constant at the pump suction is 9·108 kg·m-7 and at the discharge is 120·109 kg·m-7. The solution of this problem is shown in Appendix 265.
–   Problem 265:   –
Flow chart of pipeline system
Flow chart of pipeline system
Con-condenser; CT-condenser tank; H-heater; FT-feed tank; FP-feed pump. h [kJ·kg-1] enthalpy of the working fluid.
–   Problem 265:   –
Height arrangement of pipeline system equipment
Height arrangement of pipeline system equipment
–   Problem 265:   –
Drawing for implementation of pipeline system
Drawing for implementation of pipeline system
002-valve number; M01-engine number. The marking system corresponds to [Krbek, 1999, pp. 178]. A different marking system can be used and explanations for individual marks can be given on the drawing.
ROTODYNAMIC PUMPS
page 13

Operation of multiple pumps in one pipeline

There can be multiple pumps in one pipeline, either placed one after the other (so-called series connection) or placed on parallel branches (so-called parallel connection).

  ~  
Series connection
Pumps in series connection have the same volumetric flows and the increase of the working liquid head is equal to the sum of the increases of head in the individual pumps.
  ~  
Parallel connection of two identical pumps
The working liquid head increase in pumps connected in parallel will be the same, but the volumetric flows of the individual pumps may be different. The operating points of the pumps connected in this way are designed to achieve, as far as possible, the highest efficiency at the nominal volumetric flow through the system. This means that when only one pump is working, the efficiency of this pump may be lower than when the pumps are connected together - see Figure 371, which shows the resulting characteristic of two identical pumps operating in parallel.
– 371: –
Případ výsledné charakteristiky dvou stejných čerpadel pracujících paralelně
HP1 characteristics of one pump; HP2 resulting characteristic of two identical pumps connected in parallel; a [m3·s-1] volume flow when two parallel pumps work together; a' [J·kg-1] increase in head of liquid when two pumps are operated in parallel; b [m3·s-1] volume flow through one pump in parallel operation; b' [1] pump efficiency in parallel operation; c [m3·s-1] volume flow through the pump when only one pump is switched on; c' [J·kg-1] increase in head of liquid in pump when only one pump is switched on; c'' [1] pump efficiency when only one pump is switched on.
Parallel connection of two different pumps
If pumps with different characteristics are connected in parallel, then the change in head in the pumps HP must be the same. Otherwise, reverse flow would occur in the pump with a lower head. The resulting characteristic of two pumps with different characteristics is given, for example, in [Kadrnožka, 2003, p. 170].
ROTODYNAMIC PUMPS
page 14

Rotodynamic pumps control

Turbopumps can be controled by changing the rotational speed, throttling the discharge or turning the blades. The operating point of the pump or the pipeline characteristic can be changed by controled. The mentioned control methods have the same effects on the operating point as the individual control methods for fans, see the figures and equations in the article Fans.

  ~  
Influence of rotational speed control on pump characteristics
Rotational speed control is probably the most common way of controlling pumps. Changing the rotational speed of the pump changes its characteristics in the same way as with fans. If the pump is driven by an electric motor, the speed change is achieved by power electronics on the motor power supply side. Larger pumps are driven by alternative drives, such as internal combustion engines, steam turbines, etc., in such cases the pump speed is changed by changing the speed of the driving machines.
  ~  
Pump control by throttling its discharge
Pump control by throttling is used mainly in smaller pipeline systems. Throttling is carried out using a pressure reducing valve, which changes the pressure loss at the pump discharge (this changes the pipeline characteristic). Here it is necessary to take into account increased losses and therefore increased pump power consumption. A permanent throttling element in the pipeline system is also used for its hydraulic balancing.
  ~  
Pump control by turning blades
Regulation by turning stator or rotor blades is often part of axial pumps and some types of radial pumps with inlet guide vanes or stator turning blades.

Selecting right pump

The pump is selected according to economic and operational criteria. The acquisition costs and operating costs are among the economic criteria, where the aim is to select a pump that would achieve the maximum possible efficiency at the operating point (optimal operating point of the pump at its optimal power), see Figure 1018 (p. 15). We also select a suitable pump according to the type and condition of the working fluid. We must also take into account the safety of operation, possible contamination of the pumped fluid in the pump, especially with lubricants, and the service life of the pump.

ROTODYNAMIC PUMPS
page 15
– 1018: –
Optimální pracovní bod čerpadla
N [min-1] rotational speed. The opt index indicates the optimal state – the pump operates at maximum efficiency.
Manufacturer's specialized software will best help with selection.
Manufacturers offer a large number of pumps and using company software they are able to select the most suitable pump based on the supplied data on future operation and pipeline characteristic. Alternatively, it is possible to compare the optimal combinations of head increase and volume flow of individual pumps from the supplied catalogs.

Cavitation

The velocity and pressure of the fluid in the boundary layer change as it flows around the blade profile, and in some places the pressure may drop to the saturated liquid pressure ps(t). In such a case, alternating evaporation and rapid condensation of the fluid will occur, associated with increased stress on the blade surface material (mechanical damage, galvanic corrosion due to local temperature differences on the blade, etc.) and a decrease in hydraulic efficiency, this process is called cavitation (a more detailed description is given in [Dixon and Hall, 2010, p. 330]). The lowest pressure in rotodynamic pumps is near the leading edge of the highest first stage blade.

Definition of net positive suction head
Pump manufacturers specify net positive suction head (NPSH) of the pump to avoid the cavitation. NPSH represents the minimum suction head relative to the pump axis. It is measured for a specific working fluid at a reference temperature (usually 20°C). If the operating temperature differs, the NPSH must be recalculated to determine the Net Positive Suction Head Required (NPSHR), as shown in Equation 796 (p. 16). Additionally, manufacturers recommend increasing the NPSHR by a safety margin zA to determine the Net Positive Suction Head Available (NPSHA).
ROTODYNAMIC PUMPS
page 16
– 796: –
Net positive suction head
NPSH [m] net positive suction head; NPSHA [m] Net Positive Suction Head Available; NPSHR [m] Net Positive Suction Head Required at operating temperature t; ps(t) [Pa] saturated liquid pressure for operating temperature; t [°C] operating temperature; tref [°C] liquid temperature at which reference measurement of NPSH; zA [m] safety increase in NPSHR height to prevent cavitation in pump (for water rotodynamic pumps approximately 0,6 m), compensates for inaccuracies arising when calculating NPSHR from NPSH. The derivation of the relationship between NPSH and NPSHR with an insignificant effect of the change in density with temperature is in Appendix 796.
Determining NPSH of pump
The NPSH of a pump can either be measured directly or approximately calculated using empirical relationships according to the type of pump and its parameters; such a calculation is given in [Melichar et al., 2002, p. 191].
Pump suction losses are part of NPSHA
The losses in the pipe connected to the pump suction are equivalent to the column of working fluid – this column must be added to the NPSHA value, as shown in Problem 265 (p. 12).
Booster pump function
If arrangement of the pipeline and the pump does not allow meeting NPSHA, it is nessery use so called booster pump upstream of the pump. The booster pump ussually has a lower rotational speed of the rotor or is a piston pump and and allows increasing the suction pressure of the main pump to values at which there is no longer a risk of cavitation.
Cavitation resistance of material
The resistance of a machine to cavitation erosion and corrosion can be influenced by its design [Melichar et al., 2002, p. 290] and the material from which the machine is made. In general, inhomogeneous materials, such as cast iron, are less resistant, while special stainless steels are more resistant [Nechleba, 1966, p. 105].
ROTODYNAMIC PUMPS
page 17

References

ŠKORPÍK, Jiří, 2023, Škrcení plynů a par , fluid-dynamics.education, Brno, https://fluid-dynamics.education/skrceni-plynu-a-par.html.
ŠKORPÍK, Jiří, 2024, Vznik tlakové ztráty při proudění tekutiny a její výpočet, fluid-dynamics.education, Brno, https://fluid-dynamics.education/vznik-tlakove-ztraty-pri-proudeni-tekutiny-a-jeji-vypocet.html.
DIXON, S., HALL, C., 2010, Fluid Mechanics and Thermodynamics of Turbomachinery, Elsevier, Oxford, ISBN 978-1-85617-793-1.
INGRAM, Grant, 2009, Basic Concepts in Turbomachinery, Grant Ingram & Ventus Publishing Aps, ISBN 978-87-7681-435-9.
KADRNOŽKA, Jaroslav, 2003, Lopatkové stroje, Akademické nakladatelství CERM, s.r.o., Brno, ISBN 80-7204-297-1.
KRBEK, Jaroslav, POLESNÝ, Bohumil, FIEDLER, Jan, 1999, Strojní zařízení tepelných centrál-Návrh a výpočet, PC-DIR Real, s.r.o., Brno, ISBN 80-214-1334-4.
MELICHAR, Jan, BLÁHA, Jaroslav, BRADA, Karel, 2002, Hydraulické stroje-Konstrukce a provoz, České vysoké učení technické v Praze, Praha, ISBN 80–01–02657–4.
NECHLEBA, Miroslav, HUŠEK, Josef, 1966, Hydraulické stroje, Státní nakladatelství technické literatury, Praha.
PFLEIDERER, Carl, PETERMANN, Hartwig, 2005, Strömungsmaschinen, Springer Verlag Berlin, Heidelberg, New York, ISBN 3-540-22173-5.
 
 
–  Online shop  –
If you found this article helpful, you can purchase the full version in my online shop. Thank you for your support, and I wish you every success with your projects.

Jiří Škorpík
author
©Jiří Škorpík, LICENCE
About For students (Czech only)   LinkedIn Online shop Contakt